Nov . 2024
O módulo LoRa1121F33-1G9 é construído no chip LR1121 da SEMTECH, um transceptor LoRa de longo alcance e potência ultrabaixa que suporta comunicação de banda S sub-GHz e conectada por satélite. O LoRa1121F33-1G9 suporta LoRa, modulação (G)FSK, protocolo Sigfox e LR-FHSS. É compatível com o protocolo de comunicação LoRaWAN e pode funcionar como um nó LoRaWAN. Além disso, oferece opções flexíveis de configuração para atender aos requisitos de diversas aplicações e protocolos proprietários.
Características do Módulo LoRa LoRa1121F33-1G9
Bandas sub-GHz: 433/470 MHz 2W
Bandas sub-GHz: 868/915 MHz 1W (personalizável: 150 ~ 960 MHz)
Banda S: 1900 MHz ~ 2000 MHz 0,8 W
Sensibilidade da banda S: até -132 dBm @ BW=125 KHz, SF=12
Sensibilidade de recepção sub-GHz: até 144dBm @ BW=62,5 KHz, SF=12
Proteção Eletrostática (ESD)
Suporta LR-FHSS
Suporta protocolo LoRaWAN e Sigfox
Suporta criptografia e descriptografia AES-128
A transmissão sub-GHz excede 10 km em áreas abertas
Corrente de sono <15µA
Receba corrente <9mA
Tamanho pequeno, design de furo de carimbo
Drones
Irrigação remota
Casa inteligente/Agricultura inteligente
Fabricação industrial
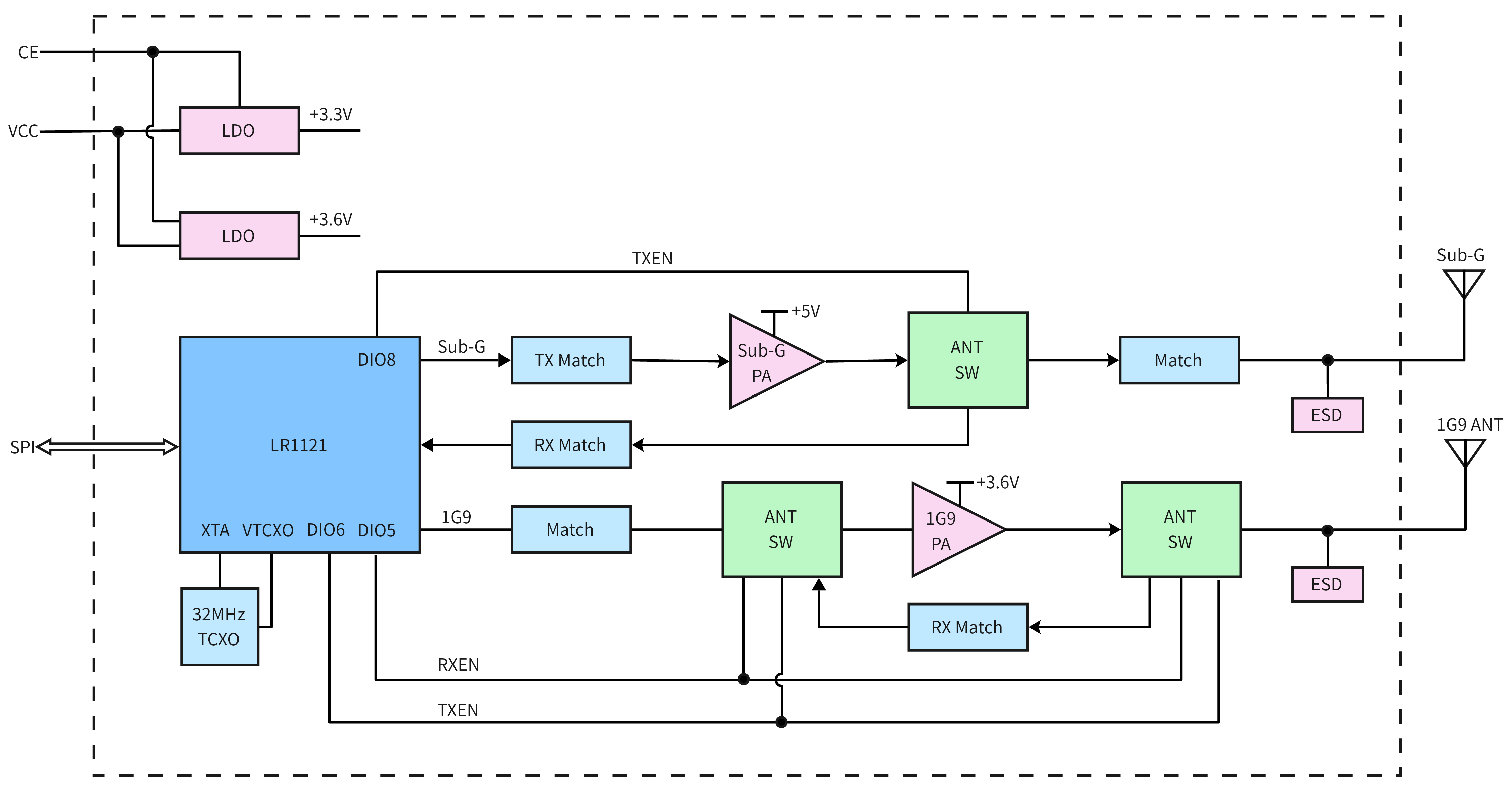
Diagrama de blocos

Características Elétricas
Parâmetros | Condição de teste | Min. | Tipo. | Máx. | Unidade |
Faixa de tensão | 3,0 | 5 | 5.5 | V | |
Temperatura operacional | -40 | 25 | 85 | ℃ | |
Sinal de entrada máximo | 10 | dBm | |||
Consumo Atual | |||||
Transmitir corrente | @433 MHz | <900 | mA | ||
@1,9 GHz | <1000 | mA | |||
Receber Atual | <9 | mA | |||
Atual do sono | <15 | vocêA | |||
Parâmetros de RF | |||||
Faixa de frequência | @433 MHz | 400 | 470 | MHz | |
@470 MHz | 470 | 510 | MHz | ||
@868 MHz | 850 | 890 | MHz | ||
@915 MHz | 900 | 940 | MHz | ||
Transmitir energia | @Sub-GHz | 20 | 33 | dBm | |
Banda de frequência @S | 5 | 29 | dBm | ||
Receba Sensibilidade | BW = 62,5 KHz, SF = 12 @Sub-GHz | -142 | dBm | ||
BW = 125 KHz, SF = 12 Banda de frequência @S | -132 | dBm | |||
Erro de frequência | 10 | ppm | |||
Taxa de modulação (@sub-GHz) | @LoRa | 0,091 | 62,5 | Kbps | |
@FSK | 0,6 | 300 | Kbps | ||
Taxa de modulação (@S bandas de frequência ) | @LoRa | 0,292 | 87,5 | Kbps | |
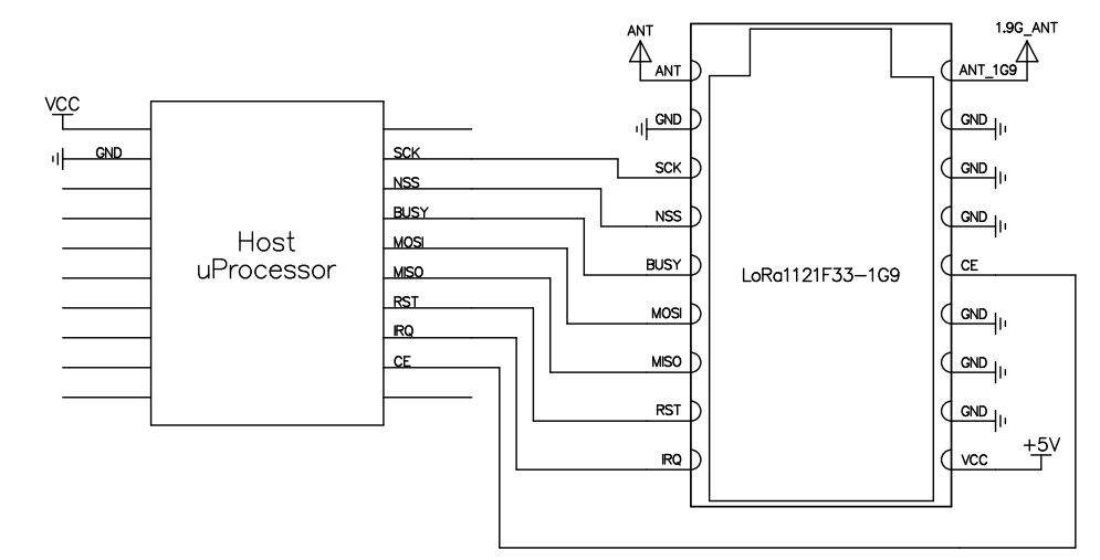
Circuito Esquemático Típico

Nível de potência | 433 MHz | 1,9 GHz | ||
Potência de saída ( dBm) | Corrente ( mA) | Potência de saída ( dBm) | Potência de saída ( mA) | |
0 | 20.1 | 419 | 5,0 | 112 |
1 | 22.6 | 427 | 8.7 | 131 |
2 | 25.3 | 445 | 11,0 | 152 |
3 | 27.2 | 485 | 13.7 | 181 |
4 | 29,3 | 551 | 16,7 | 233 |
5 | 30,8 | 628 | 19,8 | 308 |
6 | 31,7 | 691 | 22,7 | 404 |
7 | 32.2 | 734 | 23,9 | 434 |
8 | 32,6 | 775 | 24,4 | 482 |
9 | 32,9 | 817 | 29,6 | 920 |
Tensão operacional ( v) | 433 MHz | 1,9 GHz | ||
Potência ( dbm) | Corrente ( mA) | Potência ( dbm) | Corrente ( mA) | |
3,0 | 28,0 | 506 | 27,8 | 745 |
3.5 | 29,5 | 604 | 29.1 | 846 |
4,0 | 30,7 | 678 | 30,0 | 912 |
4,5 | 31,7 | 736 | 30.3 | 920 |
5,0 | 32,6 | 810 | 30.3 | 920 |
5.5 | 33,3 | 844 | 30.3 | 920 |
Dimensão do mecanismo (Unidade:mm)

Apêndice 1: Quadro de demonstração de funções

A placa de demonstração possui três botões: SET, UP e DOWN. Suas funções são as seguintes:
Botões | Funções |
Pressione brevemente a tecla SET | Confirme ou entre no próximo nível da interface |
Tecla SET Pressão longa | Voltar para a interface anterior |
Pressione brevemente a tecla UP | Mova o cursor para cima ou aumente o parâmetro em 1 |
Pressão longa da tecla UP | Aumentar parâmetro |
Pressione a tecla PARA BAIXO brevemente | Mova o cursor para baixo ou diminua o parâmetro em 1 |
Tecla PARA BAIXO Pressão longa | Diminuir parâmetro |
Método de operação:
Garanta a fonte de alimentação normal e, em seguida, alterne o botão liga / desliga para ligar a energia. A tela da placa DEMO exibirá a interface de função atual. Pressione rapidamente a tecla SET para entrar no modo de configuração. Para selecionar uma opção, pressione brevemente a tecla SET; para retornar, pressione longamente a tecla SET. Use as teclas UP e DOWN para selecionar o parâmetro que deseja ajustar. Finalmente, pressione rapidamente a tecla SET para concluir a modificação.
Modo n : Função
n Banda: Banda de Frequência
n FREQ: Frequência
n SF: Fator de Espalhamento
n BW: largura de banda
n POTÊNCIA: Potência
n CR: Rato Codificador
+86-755-23080616
vendas@nicerf.com
Site: https://www.nicerf.com/
Endereço: 309-314, 3/F, Bldg A, edifício comercial Hongdu, Zona 43, Baoan Dist, Shenzhen, China
política de Privacidade
· Política de Privacidade
No momento não há conteúdo disponível
E-mail: sales@nicerf.com
Tel:+86-755-23080616