O módulo LoRa1121F33-1G9 é construído no chip LR1121 da SEMTECH, um transceptor LoRa de ultrabaixo consumo e longo alcance, compatível com comunicação em banda S e sub-GHz conectada via satélite. O LoRa1121F33-1G9 suporta LoRa, modulação (G)FSK, protocolo Sigfox e LR-FHSS. É compatível com o protocolo de comunicação LoRaWAN e pode funcionar como um nó LoRaWAN. Além disso, oferece opções de configuração flexíveis para atender aos requisitos de diversas aplicações e protocolos proprietários.
Parâmetros | Condição de teste | Mín. | Tipo. | Máx. | Unidade |
Faixa de tensão | 3.0 | 5 | 5.5 | V | |
Temperatura de operação | -40 | 25 | 85 | °C | |
Sinal de entrada máximo | 10 | dBm | |||
Consumo atual | |||||
Transmitir corrente | @433MHz | < 900 | mA | ||
@1,9 GHz | < 750 | mA | |||
Receber corrente | < 9 | mA | |||
Corrente do Sono | < 18 | uA | |||
Parâmetros de RF | |||||
Faixa de frequência | @433MHz | 400 | 470 | MHz | |
@470MHz | 470 | 510 | MHz | ||
@868MHz | 850 | 890 | MHz | ||
@915MHz | 900 | 940 | MHz | ||
Potência de transmissão | @Sub-GHz | 20 | 33 | dBm | |
@S Banda de Frequência | 17 | 29 | dBm | ||
Sensibilidade de recepção | BW=62,5 kHz, SF=12 @Sub-GHz | -142 | dBm | ||
BW=125KHz,SF=12 @S Banda de Frequência | -132 | dBm | |||
Erro de frequência | 10 | ppm | |||
Taxa de modulação (@sub-GHz) | @LoRa | 0,091 | 62,5 | Kbps | |
@FSK | 0,6 | 300 | Kbps | ||
Taxa de modulação (@S bandas de frequência ) | @LoRa | 0,292 | 87,5 | Kbps | |
Bandas Sub-GHz: 433/470MHz 2W
Bandas Sub-GHz: 868/915MHz 1W (Personalizável: 150~960 MHz)
Banda S: 1900MHz ~ 2000MHz 1W (2,4G de alta potência personalizável)
Sensibilidade da banda S: até -132 dBm @ BW=125 KHz, SF=12
Sensibilidade de recepção sub-GHz: até -144dBm @ BW=62,5 KHz, SF=12
Proteção Eletrostática (ESD)
Suporta LR-FHSS
Suporta protocolos LoRaWAN e Sigfox
Suporta criptografia e descriptografia AES-128
A transmissão sub-GHz excede 10 km em áreas abertas
Corrente de sono < 18µA
Corrente de recepção < 9mA
Tamanho pequeno, design de furo de carimbo
Drones
Irrigação remota
Casa inteligente/Agricultura inteligente
Fabricação industrial


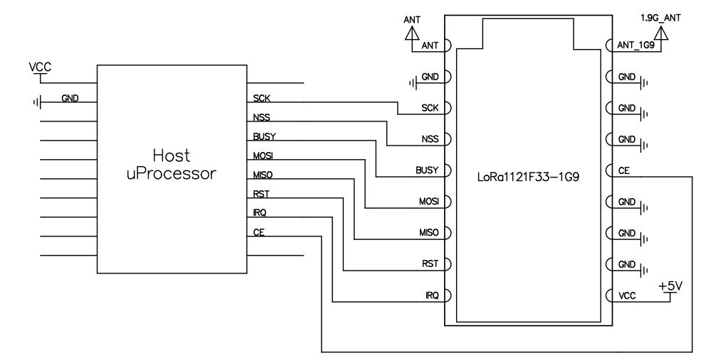
Pino Nº. | Nome do PIN | E/S | Descrição | Pino Nº. | |
1 | VCC | Conecte à fonte de alimentação positiva | |||
2,3,4,6,7,8,11 | Terra | Conecte à fonte de alimentação negativa | |||
5 | CE | EU | 0-5,5 V | Pino de controle de habilitação LDO interno, puxe para cima ou deixe flutuando para operar, conecte ao aterramento para o modo de espera. Puxe para cima internamente | |
9 | ANT_1G9 | Interface de antena de 1,9 GHz, antena externa de 50 ohms | |||
10 | FORMIGA | Interface de antena Sub-G, antena externa de 50 ohms | |||
12 | SCK | EU | 0-3,3 V | Entrada de relógio SPI | |
13 | NSS | EU | 0-3,3 V | Entrada de seleção de chip SPI | |
14 | OCUPADO | O | 0-3,3 V | Usado para indicação de status, consulte a folha de dados do chip para obter detalhes | |
15 | MOSI | EU | 0-3,3 V | Entrada de dados SPI | |
16 | MISSÔ | O | 0-3,3 V | Saída de dados SPI | |
17 | REINICIAR | EU | 0-3,3 V | Reinicie a entrada do gatilho, consulte a folha de dados do chip para obter detalhes | |
18 | IRQ | O | 0-3,3 V | Interface digital multifuncional, consulte a folha de dados do chip para obter detalhes | |

política de Privacidade
· Política de Privacidade
No momento não há conteúdo disponível
E-mail: sales@nicerf.com
Tel:+86-755-23080616