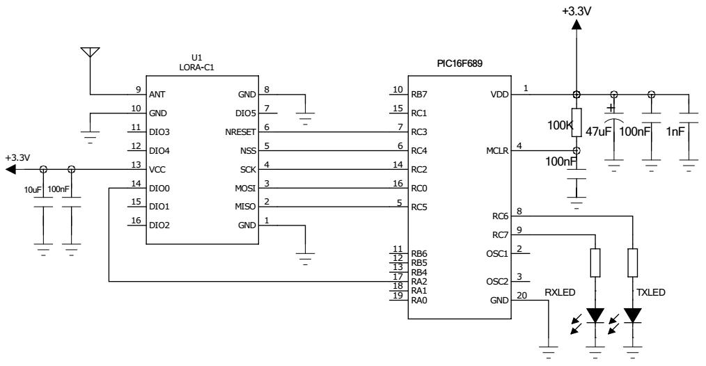
LoRa1276-915: Módulo LoRa Front-end SX1276 de 915 MHz com certificação FCC ID
Type: LoRa Front-End Modules
Certification: FCC ID
Modulation: LoRa
Chip: SX1276
Interface: SPI
Output Power: 100mW
Frequency: 915MHz
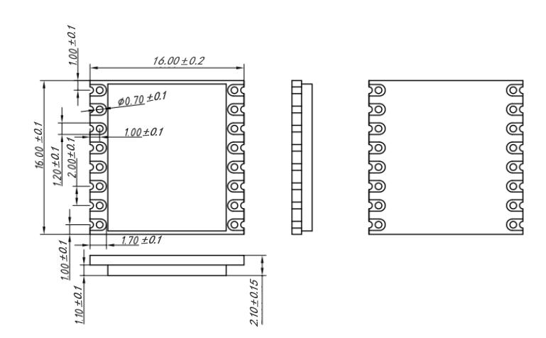
Size:17,3*17

French







